The remote control circuit Circuit Diagram A remote control sends out an infrared (IR) code when you push a button. The gadget you point the remote control at will receive this IR code. To make your own Arduino remote control, you need to first copy the IR code from an existing remote control using an IR receiver. To create our remote control we need to:

Testing the Circuit. Point your IR remote control at the TSOP312 receiver module. Press any button on the remote control. You should see the relay click and its onboard LED will turn ON. Press the button again. The relay should click again, and the LED will turn OFF. Note that this circuit can be a bit sensitive to noise from other IR sources.

Remote Controlled On Circuit Diagram
In this video, we are going to show you making a simple remote control switch circuit. Using this circuit you can control your all AC appliance at your home. For power supply we are using a old mobile charger with 5V output. Take the charger module out from the case. Connect a wire to input side and out side of charging module.The using a insulation tape insulate the charging module. The BC557 offers similar characteristics to the BC547, making them a perfect match for the remote control switch circuit. Remote Control ON-OFF Switch. Circuit Diagram of Remote Control ON-OFF Switch. This project can be designed using a few basic components. The circuit diagram of this project is shown below.

2) Precision Infrared (IR) Remote Circuit. The second IR remote control circuit discussed below uses a unique frequency and detects only the specified IR frequency from the given remote transmitter unit, making the design entirely failproof, accurate and reliable. Ordinary IR Remote Drawback RF Remote Control Circuit. Working Explanation. The circuit that appeared here is simple to build and utilizes extremely low-cost and ordinarily accessible parts. The circuit has additionally a good range of up to 20 meters. A relay switch is utilized at the yield of the circuit, which can be associated with the appliances to perform them

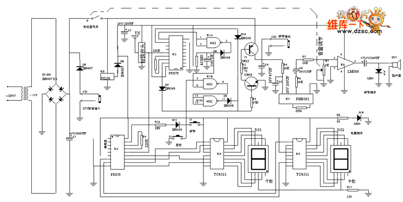
Simple RF Remote Control Circuit without Microcontroller Circuit Diagram
In this video, I will show you how to build and control an electrical circuit using an inductive sensor and a remote control system. We will explore the nece 4$ off on first order: https://lcsc.com/Love Components?Save Cost!Good News!Now you can order me to design a custom PCB for you!https://www.fiverr.com/users/ Making a 433 MHz, 315 MHz RF Remote Control with Relay Flip Flop. Building a hi-end remote control device using very few components today looks pretty plausible. The proposed remote control light switch circuit idea provides you with the opportunity of building and owning this amazing device through simple instructions.
