Sound Activated Switch Circuit Circuit Diagram A tutorial on How to make a Clap Switch circuit aka Sound Triggered LED, along with detailed explanation on how the circuit works. The sensitivity or Range u Whistle activated light switch circuit with PCB. Surprisingly much, can turn on - shut down electric devices with a whistling sound. This is simple sound control circuit as the Whistle activated light switch circuit, that different from a little common circuit is requires high-frequency noise Such as whistle sound etc. The straightforward sound operated switch circuit demonstrated here will probably work at a distance of up to around 2 or 3 metres from a voice of average volume (slightly-less in case the xtal microphone insert is substituted with a medium or high impedance powerful sort). These two stages depend on Q1 and Q2 and work with a simple

Sound Activated Timer Switch Code Since the Grove Sound Sensor produces a varying voltage, we can use the microcontroller's analog-to-digital converter (ADC) to handle that voltage. So, here is a simple Seeeduino Sketch, also compatible with Arduino Uno/Nano, that reads the voltage from the sound sensor module connected to A0 which is then This circuit is operating on 9-12V DC. The working of this circuit is quite simple, the main component is an audio amplifier LM386 IC. Following are the steps that you should follow to make this circuit work, Sound is received by an Electret mic which converts these sound signals into electrical signals. The Circuit. An electret microphone is a type of condenser (capacitor) based microphone that converts sound energy to electrical energy. It is a low cost microphone that can be found in every cellphone, laptop, camera, and so on. The main component of the circuit is the electret microphone and it is used as the sound sensor.

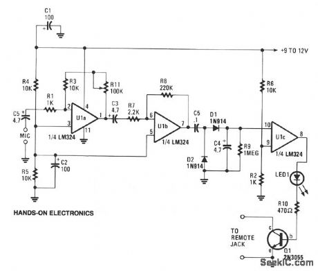
Simple Sound Activated Switch Circuit Circuit Diagram
1) Circuit Objective. Utilizing this basic sound activated switch design, toggling a system by a sound pulse could be done very effectively, not only with a robotic system but as well as for any desired of home automation.. As an illustration the circuit could be used like a sound-activated light bulb to illuminate a porch light in response to a knock on the front door. This project uses an LM386 audio amplifier IC with a few other components to build a simple and accurate sound-activated alarm circuit. The circuit will activate a buzzer for a few seconds when the microphone receives a sound. The sensitivity of the circuit is good and it can detect sounds of the whistle, clap or finger snap from many meters away.
